Вертолёт обеспечивает выполнение следующих маневров:
• Виражи, развороты, восьмерки, змейки.
• Восходящие и нисходящие спирали.
• Боевые и форсированные развороты.
• Скольжения.
• Горки и развороты на горке.
• Разгоны и торможения.
• Маневрирование на предельно малых высотах.
• Плоские развороты.
Минимальная допустимая высота при пилотировании - не менее 10 м над рельефом (препятствиями).
Текущие и максимально допустимые значения перегрузки отображаются на ИЛС на шкале перегрузок. При достижении максимально допустимой перегрузки подвижный индекс текущей перегрузки совпадает с символом максимально допустимой перегрузки и переходит в мигающий режим. Кроме того, высвечивается табло САС «ny». Текущая перегрузка также может контролироваться по указателю перегрузки на левой приборной доске.

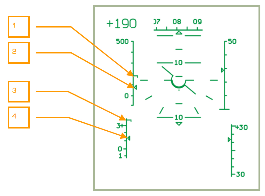
Шкалы скорости и перегрузки на ИЛС.
1. Индекс максимально допустимой скорости.
2. Индекс приборной скорости.
3. Индекс максимально допустимой нормальной перегрузки.
4. Индекс нормальной перегрузки.
Текущие и максимально допустимые значения скорости также отображаются на ИЛС по шкале приборной скорости, при достижении максимально допустимой скорости подвижный индекс текущей скорости совпадает с символом максимально допустимой скорости и переходит в мигающий режим. Высвечивается табло САС «Vmax доп.».
Высвечивание табло «ny» и «Vmax доп.» допускается кратковерменно. При высвечивании табло «ny» следует уменьшить общий шаг и несколько отдать ручку ППУ «от себя» до выключения табло. При высвечивании табло «Vmax доп.» следует выполнить торможение установленным порядком до уменьшения скорости и выключения табло.
ПРИМЕЧАНИЕ: С увеличением высоты полета на каждые 1000 м максимально допустимые значения «ny» и «Vmax доп.» уменьшаются на 0,3…0,4 единицы и на 30…40 км/ч соответственно.










